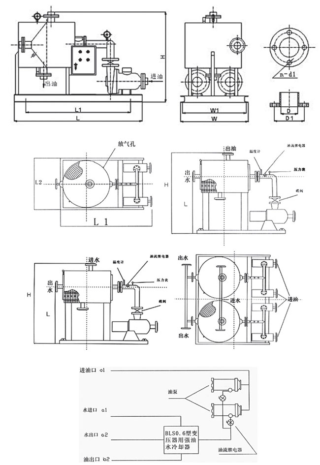
Spiral plate features the structure and working principle
Spiral plate is a new application of a wide range of heat exchange equipment, it has a high heat transfer efficiency, low resistance loss, stable and reliable operation, compact, cheap and a series of advantages. Our manufacturing and research since the late 1960s to develop the appropriate technical standards in the manufacture and use has accumulated a lot of experience, has been widely used in the petrochemical industry refrigeration, food organic chemicals, dyes soda pharmaceuticals, machinery, metallurgy, etc. industrial sectors, is used as transformer oil cooler is the first of nearly a decade of history, the effect is very good, strong spiral plate oil cooler is 2 ~ 3mm thickness by two coil volume made spirochetes two uniform spiral channel . Tangential direction of the welding nozzle and the upper flange and the edge on the lower end to both ends of the spiral channel of the spiral, i.e., there is a heat medium (oil and water) showed complete countercurrent heat exchange within the state of the two channels, respectively. Its cooling area for the launch of two steel plates to width and length multiplied. In order to enhance the stiffness of the steel to improve the critical pressure spirochetes, and in the same plane with two steel plates welded to a certain density of fixed pitch columns, so the rope can increase fluid mobility, increasing Reynolds number, increase heat transfer efficiency.
Due to the curvature of the spiral channel uniform fluid channel no major change to, and thus less resistance and no dead ends. In order to improve the heat transfer fluid tube length greater velocity in the channel to prevent the passage of dirt, and the channel itself has a self-cleaning effect, the other two spiral channels also left exhaust (liquid) well easy to operate but also for testing of samples with.

1、BLS6 transformer oil cooler series with a strong main parameters and installation dimensions

Example: BLS6-160 was not demolished spiral plate made of stainless steel acid cooler design pressure of 0.6Mpa, the heat transfer area of 16m2 (cooling capacity of 160).
2、Features
1、High heat transfer efficiency
Overall heat transfer coefficient up 3300KCal / m2.h. ℃, heat better than YF (air-cooled) cooler and traditional tube heat exchangers, tube heat exchanger is 1-3 times, thus saving energy, with a good economy.
2、Heat loss
The oil cooler compact body, covers an area of exposed surface area are small. If the normal flow of fluid from the outer edge of the center channel to the oil cooler, you do not need insulation.
In the factory, although transformer oil coolers are conducted according to professional standards of corporate rigorous testing, cleaning two spiral channel, then the pressure test. However, before the on-site installation commissioning, should pay attention to the two spiral channel cleaning, especially not with impurities and moisture in the transformer oil passage. Then, transformer oil for oil passage pressure test, and test oil samples electrical strength, all indicators after passing the oil cooler can connect with the transformer body. Oil cooler and the transformer is connected with the column tube heat exchanger similar: from the top of transformer oil change pump out into the oil cooler, and then flows back through the lower part of the tank transformer, transformer monitoring for safe circulation, the oil passage in and out to take over the place are equipped with a thermometer, oil pressure gauge installed at the inlet and oil flow relay. According to user requirements, making thermometers and pressure gauges to do on-site monitoring and control room synchronization, users need to be raised in order according to the manufacturer.
1 BLS6 transformer oil coolers Selection Reference Table
KVA transformer capacity
|
Oil cooler model selection
(For reference)
|
Oil Cooler
|
Heat transfer area m2
|
Oil flow m2 / h
|
3000
|
BLS6-145
|
15
|
39
|
4000
|
BLS6-160
|
16
|
39
|
6000
|
BLS6-200
|
20
|
39
|
7000
|
BLS6-250
|
25
|
39
|
8000
|
BLS6-315
|
31.5
|
39
|
12500
|
BLS6-500
|
50
|
39
|
15000
|
BLS6-630
|
63
|
39
|
2 BLS6 transformer oil coolers basic dimensions refer to Table
BLS6
|
Heat transfer area m2
|
Rated cooling power KW
|
Takeover flangeHG5010-58(Plane)
|
H
|
L
|
L1
|
L2
|
D
|
High
|
Flange
|
Plane
|
A1a2
|
B1b2
|
cd
|
BLS6-100
|
10
|
100
|
80
|
80
|
|
600
|
1150
|
730
|
950
|
1100
|
BLS6-100
|
14.5
|
145
|
80
|
80
|
|
600
|
1150
|
730
|
950
|
1100
|
BLS6-100
|
16
|
160
|
80
|
80
|
|
600
|
1150
|
730
|
1100
|
1250
|
BLS6-100
|
20
|
200
|
80
|
80
|
|
600
|
1150
|
730
|
1300
|
1300
|
BLS6-100
|
25
|
250
|
80
|
80
|
|
600
|
1150
|
730
|
1400
|
1400
|
BLS6-100
|
31.5
|
315
|
80
|
80
|
|
750
|
1200
|
800
|
1200
|
1400
|
BLS6-100
|
40
|
400
|
80
|
80
|
|
750
|
1200
|
800
|
1300
|
1450
|
BLS6-100
|
50
|
500
|
80
|
80
|
|
750
|
1200
|
800
|
1450
|
1500
|
BLS6-100
|
63
|
630
|
80
|
80
|
|
1000
|
1350
|
950
|
1300
|
1400
|
BLS6-100
|
80
|
800
|
80
|
80
|
|
1000
|
1350
|
950
|
1500
|
1500
|

|